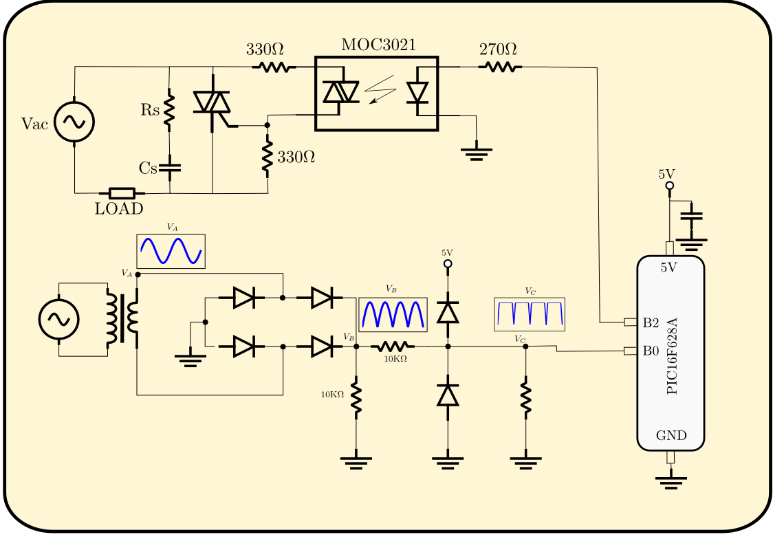
The TRIAC controls the flow of alternating current to the load, switching between the conduction state and the cut-off state, during the positive and negative half cycles of the power supply (110/220 VAC that comes from the electric outlet of our homes). It should be clarified that the capacitor, in an AC circuit, has an out of phase voltage.. The Triac is a three-terminal device that acts as a bidirectional switch and is commonly used in AC circuits. The schematic of the Triac motor speed control circuit consists of a Triac, a potentiometer, a diac, and a capacitor. The potentiometer is used to control the speed of the motor by adjusting the resistance.

220V AC TRIAC PID temperature termocouple
Control De Velocidad De Un Motor Ac Con Triac Y Diac Reseñas Motor

Reproducir Hola Hombre regulador de velocidad con triac el primero

Practica 10 Control de motor con TRIAC equipo 4 YouTube

32 Curso Arduino Control de Potencia TRIAC BT136 YouTube
Controlando motor universal con triac

Control De Velocidad De Un Motor Ac Con Triac Reseñas Motor

Homemade DIY TRIAC Thyristor circuit

circuito para ensayar el funcionamiento de un TRIAC y su importancia

Control de motor monofásico de CA con un TRIAC falla al disparar

TRIAC AC control circuit, SCR LED light controller YouTube

Triac Triggering Circuit YouTube

circuito triac y antiparalelo con dos scr YouTube

REGULADOR POTENCIA CON TRIAC YouTube

Arranque parada con temporizador apagado automático control básico del

Control De Velocidad De Un Motor Ac Con Triac Reseñas Motor

Day Night Activated Triac Switch Circuit

Control De Velocidad De Un Motor Ac Con Triac Y Diac Reseñas Motor

Make a simple Relay using Triac How to use a Triac instead of Relay
Para realizar el control de un motor AC con TRIAC, necesitarás los siguientes materiales: A continuación, te explicaré los pasos básicos para realizar el control de un motor AC con TRIAC: Conecta el motor AC al TRIAC. Asegúrate de seguir las instrucciones y recomendaciones del fabricante para la conexión adecuada.. This PWM signal will decide the amount of voltage output to the AC motor, which in turn controls the speed of it. Here a BT136 TRIAC is used, which controls the AC voltage as it is a power electronic switch for controlling an AC voltage signal. TRIAC is a three-terminal AC switch that can be triggered by a low energy signal at its gate terminal.